品牌廠家上海新光明泵業以精zhan工藝打造QBY氣動隔膜泵、電動隔膜泵、氣動雙隔膜泵。產品性能穩定,質量可靠。QBY氣動隔膜泵,DBY電動隔膜泵,氣動雙隔膜泵技術021-62156413
隔膜泵是一種新型輸送機械,采用壓縮空氣或電機為動力源,隔膜泵它是由膜片往復變形造成容積變化的容積泵。隔膜泵質量可靠,使用壽命長,噪音低,振動小,不崩潰,工作精細等六大優點,既可泵送常規流動介質,又可用于輸送一些不易流動的介質,具有自吸泵、潛水泵、屏蔽泵、泥漿泵等雜質輸送機械的優點。隔膜泵根據不同液體介質分別采用丁晴橡膠、氯丁橡膠、氟橡膠、聚四氟乙烯。以滿足不同用戶的需要。氣動隔膜泵、電動隔膜泵廣泛應用于石油、化工、電子、陶瓷、紡織、油漆、制藥機械等行業。
電動隔膜泵產品概述
新研制開發的XDBY型電動隔膜泵,采用XLD系列擺線針輪減速機傳動動力,電動隔膜泵是一種新型的泵類,近年來,由于在隔膜材質上取得了突破性的進展,上越來越多的工業化國家采用此種型式的泵,取代部份離心泵、螺桿泵,來應用于石化、陶瓷、冶金等行業,產品設計均參考美國ABEL公司樣機,該泵適用于低壓,即出口壓力≤3kgf/cm2的場合。
電動隔膜泵技術參數
流量:0-20m3/h;
揚程:30m;
功率:0.37-4kw;
轉速:1450r/min;
口徑:10-100mm;
溫度:-15-+150℃;
自吸高度:5-7m。
DBY電動隔膜泵(擺線式)型號參數
| 型號 | 泵 | 流量M3/h | 揚程M | 吸程M | 配備功率KW | 使用溫度。C | 配備誠速機型號 | |||
| 進口 | 出口 | 鑄鐵 | 不銹鋼 | 鋁合金 | ||||||
| DBY-10 | 絲扣 | 3/8" | 0.5 | 30 | 3-4 | 0.55 | 80 | 120 | 80 | XWD0.55-2-35 |
| DBY-15 | 絲扣 | 1/2" | 0.75 | 30 | 3-4 | 0.55 | 80 | 120 | 80 | XWD0.5-2-35 |
| DBY-25 | 25 | 25 | 3.5 | 30 | 3-4 | 1.5 | 80 | 120 | 80 | XLD1.5-3-35 |
| DBY-40 | 40 | 40 | 4.5 | 30 | 3-4 | 1.5 | 80 | 120 | 80 | XLD1.5-3-35 |
| DBY-50 | 50 | 50 | 6.5 | 30 | 3-4 | 3 | 80 | 120 | 80 | XLD2.2-3-35 |
| DBY-65 | 65 | 65 | 8 | 30 | 3-4 | 3 | 80 | 120 | 80 | XLD2.2-3-35 |
| DBY-80 | 80 | 80 | 16 | 30 | 3-4 | 4 | 80 | 120 | 80 | XLD3-3-35 |
| DBY-100 | 100 | 100 | 20 | 30 | 3-4 | 4 | 80 | 120 | 80 | XLD3-3-35 |
DBY電動隔膜泵(擺線式)產品適用范圍
1、各種劇毒、易燃、易揮發液體。
2、各種強酸、強堿、強腐蝕液體。
3、可輸送較高溫度的介質150℃。
4、作為各種壓濾機前級送壓裝置。
5、熱水回收及循環。
6、油罐車、油庫、油品裝卸。
7、泵吸泡菜果醬、土豆泥、巧克力等。
8、泵吸油漆、樹膠、顏料粘合劑。
9、各種瓷器釉漿水泥灌漿灰漿泥漿。
10、各種橡膠漿乳膠、有機溶劑、填料。
11、用泵為油輪駁船清倉吸取倉內污水及剩油。
12、啤酒花及發酵粉稀漿、糖漿、糖蜜。
13、泵吸礦井、坑道、隧道、下水道中污水、沉淀物。
14、各種特殊介質的吸送。

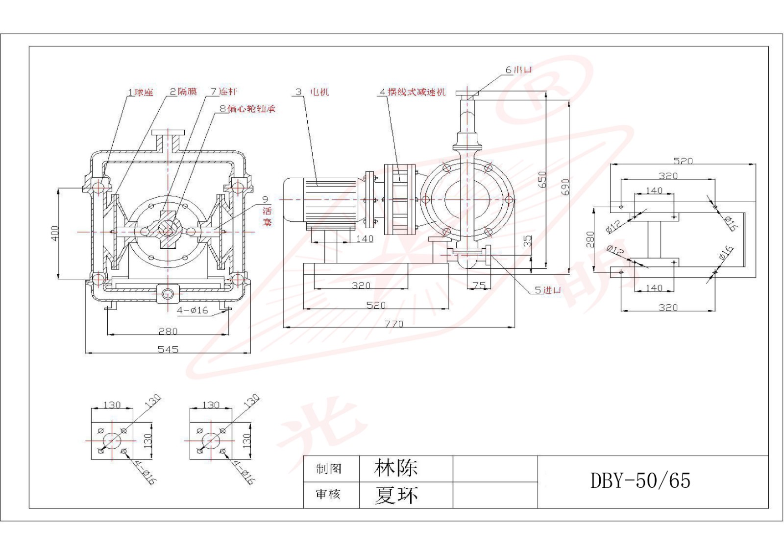
DBY-25/10電動隔膜泵安裝尺寸圖

DBY-25/10電動隔膜泵部件明細表

DBY-25/65電動隔膜泵安裝尺寸圖







